Este site utiliza cookies. (This website is using cookies)
×
ELMARKby ALOVES
EQUIPAMENTO ELÉTRICO PROFISSIONAL
×
 x 

0 productos
0210080012.jpg

Int. crepuscular I=16A 1módulo AZ-112 c/ sonda Ø10

Inter. crep. 230V I=16A 1módulo AZ-112 c/ sonda Ø10
Descrição

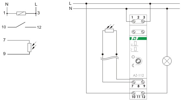
AZ-112           com sonda Ø10

Aplicação

O interruptor crepuscular AZH utiliza-se para manter ligada a iluminação da partir do anoitecer desligando automaticamente ao amanhecer em estradas, entradas, montras, neons ou qualquer outro local.

 

Funcionamento

O interruptor deve ser colocado num local com acesso permanente à luz do dia, que devido à sua alteração de intensidade irá ligar ou desligar a iluminação. A altura exata de atuação pode ser acertada por um potenciómetro. Colocando na direcção de "meia lua" irá atrasar a sua actuação para ligar, ligando mais cedo na direcção do "sol". O interruptor está equipado com um sistema de atraso, anulando a influências no seu funcionamento como trovões.

Diagrama

Outras informações

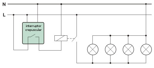
Sistema de controlo por contactor quando o total de potência a ser atuada excede o máximo permitido pelo interruptor crepuscular.

Atenção

No caso do comprimento do cabo da sonda ser superior a 10 mt. não deve ser montado junto/paralelamente a cabos de alimentação.

 

Atenção

No caso de ensaio de uma unidade deve tapar completamente o aparelho com uma caixa de cartão ou uma roupa grossa e escura. Se tapar apenas com um dedo poderá não ser suficiente porque a luz do sol é muito forte e pode passar por um plástico ou pelo cormpo humano.

 

Dados Técnicos

alimentação 230V AC
corrente máxima  <16A
nível de acionamento (alcance) 2÷1000Lx
nível de acionamento (de fábrica)  ar. 7Lx
histerese ar. 15Lx
tempo de atraso à ação 1÷15seg.
tempo de atraso ao repouso 10÷30sec
consumo 0,8W
nível de proteção  IP 65
ligação Parafusos 2,5mm²
temperatura de funcionamento -25÷50°C
dimensões 1 módulo (18mm)
fixação em calha DIN TH-35 mm

 

Atenção

É possível a implementação de tensões de funcionamento diferentes das indicadas nos dados técnicos, nomeadamente, 12V, 24V, 48V e 110V AC/DC e outras.

 

Unidades na caixa:1
×

Nova gama ATTIS IP40

Quadros fornecidos com porta transparente com abertura de 90º. Fabricados com plástico auto-extinguível resistente a altas temperaturas. Equipados com calha DIN, barramento de neutro e barramento de terra.

IP40

DESCOBRIR MAIS QUADROS